一、考试性质
本职业技能考试是指中等职业学校电子信息类考生参加的四川邮电职业技术学院2022年单独招生考试。
二、考试依据
1.《中等职业学校专业教学标准信息技术类》(教职成厅函〔2014〕11号)
2.《四川省普通高校对口招生职业技能考试大纲》电子信息类(2021版)。
3.《中等职业学校电工技术与技能教学大纲》。
4.《中等职业学校电子技术与技能教学大纲》。
三、考试方法
电子信息类技能考试采用纸质试卷方式(试卷中包含技能测试内容),考试时间90分钟,试卷总分200分。
题型一般包括:测试填空题、单项选择题、判断题、分析计算题等。
内容参照《四川省普通高校对口招生职业技能考试大纲》电子信息类(2021年版)中的专业知识(应知)和技能操作(应会)两部分内容,侧重考核学生的基本知识、使用常用电子电路仪器仪表、识别与测试常用电子电路元器件、分析计算一般电子电路等基本能力。
四、考试内容和要求
(一)专业知识(应知)
【电子技术基础】
1.半导体的主要特性
(1)了解半导体的概念、特性;
(2)了解P型、N型半导体;
(3)掌握PN结的特性。
2.晶体二极管
(1)重点掌握二极管的符号、分类,能灵活运用;
(2)理解二极管的型号命名、主要参数,二极管的伏安特性曲线;
(3)重点掌握二极管的测量;
(4)掌握稳压二极管的稳压原理。
3.整流电路
(1)重点掌握单相半波、单相桥式整流电路及基本工作原理;
(2)掌握波形及分析计算方法。
4.滤波电路
(1)掌握电容滤波电路基本工作原理;
(2)了解电感、复式滤波电路基本工作原理。
5.晶体三极管
(1)掌握三极管的结构、分类、命名、符号、特点;
(2)理解三极管的电流放大原理,三极管的特性曲线;
(3)掌握三极管的各工作状态的条件、判断;
(4)重点掌握三极管的管脚识别。
6.三极管基本放大电路
(1)理解基本放大电路的组成;
(2)掌握设置静态工作点的目的,掌握三种基本放大电路的原理及特点。
7.放大电路的分析方法
(1)理解放大器的主要性能指标;
(2)掌握估算分析法Q点,Av、ri、ro的估算;
(3)了解图解分析法;
(4)掌握波形失真与消除。
8.工作点稳定的放大电路
(1)了解静态工作点不稳定的原因;
(2)掌握分压式偏置放大电路的原理;
(3)理解集-基偏置放大电路的原理。
9.多级放大器
(1)理解四种耦合方式及特点;
(2)理解阻容耦合放大器的放大倍数。
10.功率放大电路的基本要求及分类
(1)理解功放的基本要求;
(2)了解功放的分类。
11.双电源互补对称电路OCL
(1)理解OCL功放电路的基本电路、工作原理;
(2)掌握OCL功放电路的输出功率和效率。
12.单电源互补对称电路OTL
(1)理解OTL功放电路的基本电路、工作原理;
(2)掌握OTL功放电路输出功率和效率,掌握OTL功放电路典型电路分析。
13.集成运放的基本单元电路
(1)了解集成运放的组成框图,了解电流源的基本原理;
(2)了解集成运放的种类与主要参数。
14.集成运放的应用
(1)掌握集成运放的三种输入形式(反相放大、同相放大、差分放大);
(2)重点掌握信号运算电路(加法器、减法器、反相器、电压跟随器)。
15.正弦波振荡器基本知识
(1)理解正弦波振荡器的组成;
(2)了解自激振荡的过程与条件。
16.RC振荡器
(1)理解RC串并联选频网络;
(2)理解RC桥式振荡器。
17.LC振荡器
(1)理解变压器耦合LC振荡器的种类与频率计算;
(2)掌握三点式LC振荡器的种类。
18.石英晶体振荡器
了解石英晶体谐振器的特点及种类。
19.稳压管并联型稳压电路
理解电路组成和稳压原理。
20.集成稳压源
掌握78、79系列三端固定稳压器的功能与典型应用电路。
21.示波器的使用
(1)了解通用示波器的主要用途、组成;
(2)重点掌握X增益、Y增益、通道切换、触发等旋钮的操作方法;
(3)掌握探头的正确使用方法;
(4)重点掌握交流电压峰峰值、信号周期频率的测量方法。
22.数字电路概述
(1)了解数字电路的特点;
(2)理解脉冲与数字信号。
23.RC电路的应用
(1)理解RC微分电路;
(2)理解RC积分电路。
24.数制与码制
(1)掌握数制;
(2)理解码制。
25.逻辑门电路基础
(1)掌握基本逻辑门电路;
(2)掌握复合逻辑门电路。
26.逻辑代数的基本定律及逻辑函数的化简
(1)掌握逻辑代数运算定律;
(2)掌握逻辑函数的公式化简法;
(3)掌握逻辑函数的卡诺图化简法。
27.组合逻辑电路的基本知识
(1)了解组合逻辑电路基本特点;
(2)掌握组合逻辑电路及其分析方法;
(3)掌握组合逻辑电路的设计方法。
28.编码器
(1)理解二进制编码器;
(2)了解二-十进制编码器。
29.译码器
(1)了解通用译码器;
(2)掌握译码显示器。
30.时序逻辑电路的基本知识
(1)了解时序逻辑电路基本特点;
(2)掌握时序逻辑电路及其分析方法。
31.RS触发器
(1)理解基本RS触发器;
(2)理解同步RS触发器。
32.JK触发器
(1)理解JK触发器;
(2)掌握JK触发器及其应用。
33.触发器的几种常用触发方式
理解同步式触发、上升沿触发、下降沿触发、主从触发。
34.D触发器
(1)理解逻辑电路及符号;
(2)掌握逻辑功能分析方法;
(3)掌握集成D触发器及其应用。
35.计数器
掌握二进制计数器、十进制计数器。
36.单稳态触发器
(1)理解门电路构成的单稳态触发器;
(2)理解集成单稳态触发器及其应用。
37.施密特触发器
(1)理解门电路构成的施密特触发器;
(2)了解集成施密特触发器。
38.数模转换
(1)理解数模转换原理;
(2)了解DAC的主要参数指标。
39.模数转换
(1)理解模数转换原理;
(2)了解集成ADC。
【电工基础】
1.安全用电常识
(1)掌握触电种类和形式;
(2)重点掌握安全用电的技术措施和制度措施;
(3)了解触电的急救方法。
2.电路基础
(1)理解电路组成及三种状态;
(2)掌握常用元器件图形符号。
3.电阻
(1)理解电阻的概念、理解常用电阻器的种类、标称系列和标示法;
(2)重点掌握电阻器的串联、并联;
(3)重点掌握用万用表测电阻值方法,通过标示识读电阻器。
4.电流
(1)理解电流的基础知识;
(2)重点掌握用电流表或万用表测直流电流。
5.电压
(1)理解电压的基本概念;
(2)重点掌握用电压表或万用表测直流电压。
6.电动势和欧姆定律
(1)重点掌握部分电路欧姆定律、全电路欧姆定律;
(2)理解断路和短路、理解电池的联结。
7.电位
(1)理解电位的含义,了解零电位点;
(2)重点掌握电路中各点电位的计算方法;
(3)掌握电阻混联电路。
8.电能和电功率
(1)了解电能;
(2)理解电功率概念;
(3)掌握电源向负载输出最大功率;
(4)理解焦耳定律。
9.基尔霍夫定律
(1)掌握支路、节点、回路的概念;
(2)掌握基尔霍夫电流定律和电压定律。
10.支路电流法
重点掌握支路电流法分析具有3条支路的直流电路。
11.戴维宁定理
(1)了解二端网络与有源二端网络;
(2)理解戴维宁定理,分析两个网孔的直流电路。
12.电源变换
理解两种实际电源模型之间的等效变换。
13.电容器
(1)掌握电容器的常见标示;
(2)掌握电容器串、并联计算;
(3)掌握电解电容器的选用;
(4)理解电容器的充、放电时电流电压的变化;
(5)了解电场能的计算。
14.电流的磁效应
(1)了解磁极、磁场及磁感应线的概念;
(2)掌握电流产生的磁场及安培定则。
15.磁场的主要物理量
理解磁感应强度、磁通、磁导率、磁场强度概念和定义式。
16.磁场对通电导线的作用力
(1)重点掌握磁场对通电导线作用力的计算与方向判定(左手定则);
(2)了解电流表、扬声器、电磁继电器及直流电流表的工作原理。
17.铁磁性物质的磁化
了解磁化曲线及磁滞回线。
18.磁路的基本概念
(1)了解磁路、磁动势、磁阻概念;
(2)理解磁路的欧姆定律、全电流定律。
19.电磁感应
(1)理解电磁感应现象及感应电流产生的条件;
(2)重点掌握用楞次定律、右手定则判断感应电流的方向;
(3)重点掌握电磁感应定律、感应电动势计算。
20.自感互感现象
(1)了解自感互感现象、互感电动势;
(2)理解同名端的概念、同名端的标识;
(3)了解同名端的判定方法。
21.涡流和磁屏蔽
了解涡流现象及应用、磁屏蔽。
22.正弦交流电
(1)了解正弦交流电的产生原理;
(2)掌握最大值和有效值、周期和频率、相位和相位差概念;
(3)掌握交流电的表示法(解析式、波形图、相量图)。
23.电阻、电感、电容的串联电路
掌握电流与电压相位关系、大小关系(阻抗三角形、电压三角形)、串联电路的性质。
24.串联谐振电路
掌握串联谐振的定义、特点及其应用。
25.交流电路的功率
(1)了解瞬时功率、有功功率、无功功率的概念;
(2)理解功率因数,RLC串联电路功率因数的计算;
(3)了解提高功率因数意义和方法。
26.三相正弦交流电
理解三相正弦交流电动势的产生、线电压和相电压的关系。
27.三相负载的连接
(1)掌握三相对称负载星形联接时各相电流和电压的计算;
(2)掌握三相对称负载三角形联接时各相电流和线电流的计算;
(3)重点掌握三相对称负载总有功功率、无功功率、视在功率的计算。
28.变压器
(1)了解变压器的构造与种类;
(2)了解变压器的功率与效率、常用变压器;
(3)掌握变压器交流电压、电流、阻抗变换原理。
(二)技能操作(应会)
1.能正确使用常用电子电路仪器仪表;
2.能正确识别与测试常用电子电路元器件;
3.了解电路逻辑功能的测量及判别。
五、参考教材
考试内容以本考试大纲的规定为准,原则上不指定考试教材及版本,参考教材为:
1.高等教育出版社出版,张建如主编《电子技术基础与技能实训(第2版)》。
2.高等教育出版社出版,沈林主编《电工技术基础与技能实训(第2版)》。
六、部分题型示例
(一)测试填空题
(二)单项选择题
1.在下列图形符号中,图形符号 是接地符号。

2.用数字万用表测量1.5V干电池时,下面哪种档位和量程最合适? 。
A、20V直流电压档 B、20V交流电压档
C、2V直流电压档 D、2V交流电压档
(三)判断题
1.在测量某元件两端电压时,需要将电压表串联在电路中。( )
2.正弦交流电的三要素是指周期、最大值、初相。( )
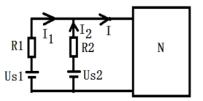
(四)计算题
1.如图所示电路中,已知:US1=100V,US2 =80V,R2 =2Ω,I1 =4A,I2 =2A,试用基尔霍夫定律求电阻 R 1 和负载 N 消耗的功率。
